高盐废水的产生行业主要是石油化工、精细化工、制药企业等,高盐废水目前也是最难处理的一种化工废水。高盐废水的组成成份比较多,比如各类的易挥发、易结焦物质。处理高盐废水的关键是对蒸发单位的确立。安峰环保的工程技术,就给大家说说高盐废水处理的工艺流程,并分析高盐废水的含盐量高,不能直接进行生化处理后,如何进行预处理。
化工高盐废水常规处理路线为:预处理→蒸发析盐→冷凝水深度处理→达标排放或者回用
由于废水中含有高有机、易结焦的组分,在进入蒸发之前要进行预处理,将易结焦有机物进行分离之后再进入蒸发单元处理,预处理需要投入大量的试验研究,确定合适的解决方法是蒸发单元能否长期稳定运行的关键。
蒸发单元是高盐废水处理的核心流程,蒸发有多种模式,目前广泛应用的蒸发系统分为三类:
1、多效蒸发系统(MultipleEffectEvaporation,MEE):基于蒸汽的梯级利用将几个蒸发器连接起来操作。
2、热泵蒸发系统:借助外界的功或热来提高蒸汽品位进行二次利用。
热力式蒸汽再压缩蒸发系统(ThermalVaporRecompressionEvaporation,TVR)
机械式蒸汽再压缩蒸发系统(MechanicalVaporRecompressionEvaporation,MVR)
多效蒸发系统
多效蒸发(MEE)是基于蒸汽的梯级利用将几个蒸发器连接起来操作,以提高热能利用效率。MEE的优点是进水预处理简单;应用较灵活,既可以单独使用,也可以与其它方法联合使用;系统操作安全可靠。

双效降膜蒸发器的流程示意图
1是进料稀溶液,2是完成液,3是生蒸汽,4是二效蒸汽,A1和A2分别是一效和二效的加热器,B1和B2分别是一效和二效的分离器。

多效蒸发器的流程示意图
热力式蒸汽再压缩蒸发
热力蒸气再压缩蒸发根据热泵原理,生蒸汽经过文丘里蒸气喷射式热泵,以少量高压蒸汽为动力将部分二次蒸汽压缩并混合后一起进入加热室作加热蒸汽用。

热力式蒸汽再压缩蒸发流程示意图
根据其效能特点,使用一台热力蒸汽压缩器所节约的能源与增加一效蒸发器所节约的能源相当,因此应用较为广泛。
在设备上TVR较多效蒸发系统只增加了蒸汽喷射泵,多效+蒸汽喷射泵组合比单纯的多效蒸发更节能。TVR技术根据喷射泵原理操作,没有活动部件,设计简单、有效,并能确保操作的高度可靠性。热力蒸汽压缩器在运行过程中仍需连续供给一定数量的鲜蒸汽。
机械式蒸汽再压缩蒸发系统
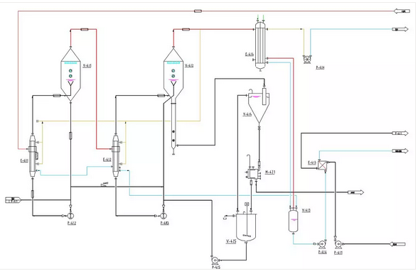
机械式蒸汽再压缩又称机械热压缩。蒸发原理是利用轴流式或离心式压缩机对二次蒸汽进行压缩后进入加热室作加热蒸汽用。

在装置启动过程中需供给生蒸气,正常运行后不再需要生蒸气的供给,因此提高了热效率,减少了对外部热源的需求,降低了能耗。MVR采用单效操作,料液停留时间短,能耗和运行成本低,占地面积小,公用工程配套少。

原料经过预热器预热后状态为A(a),此时料液处于饱和液体状态;预热后的料液进入蒸发器的蒸发室内吸收热量沸腾气化产生二次蒸汽,气液混合物经过气液分离器的分离作用,浓缩液从出料泵流出,得到的二次蒸汽进入罗茨压缩机的入口处,此时的蒸汽是在特定蒸发压强下的饱和蒸汽,其气体状态参数为B(b);
二次蒸汽在压缩机的作用下,温度升高,压强增大,蒸汽的热焓提高,理想情况(等熵压缩)的状态为C(c),实际蒸汽压缩过程中是不可逆过程而且系统不是完全绝热的,其状态参数是具有更高过热度的状态D(d),此时的过热蒸汽先经过饱和化处理后进入蒸发器的壳程里冷凝放热得到饱和冷凝液,其状态为E(e)。
冷凝液先存在暂存罐中然后由泵引出对原料进行预热,实现能源综合利用。系统在开始运行时需要向蒸发器壳程里通入新鲜蒸汽,一旦系统运行稳定后,便可利用压缩蒸汽的冷凝潜热维持系统的热量平衡,只需要在热量损失较多时补充少量新鲜蒸汽即可。

从温熵图可以看出,整个MVR的热泵系统中处在2种压强和3个温度状态下,压强变化是蒸汽压缩前的蒸发压强和蒸汽压缩后的冷凝压强,温度变化主要是蒸发温度,压缩后的过热温度以及压缩饱和温度。

从焓熵图可知,MVR系统得以运行的实质就是利用压缩机做少量的功来提高蒸汽的热焓,进而利用压缩蒸汽释放大量的冷凝潜热重新加热原料。由于气化潜热(或者冷凝潜热)占蒸汽的热焓值绝大部分,因此能够充分利用蒸汽的潜热是热泵系统正常运行的关键。
MVR主要的技术特点就是将产生的二次蒸汽全部通过压缩机压缩,使蒸汽的压力和温度提高,获得高品味的蒸汽,然后重新作为加热蒸汽。因此,压缩阶段是整个MVR蒸发系统的心脏。
这三类蒸发系统在技术上没有先进和落后之分,技术都比较成熟,根据地域、能源、物性和运行工况等多重因素来选择经济适用的蒸发模式。
工业废水中的含盐量普遍比较高,安峰环保对于高盐废水处理时,一般根据水质的不同,为客户提供多效蒸发(MEE)、蒸汽热压缩蒸发(TVR)和机械式再压缩蒸发(MVR)等工艺系统及配套装置;根据废水中盐的特征,通过优化设计和控制设备运行参数,有效解决蒸发不出盐或出盐时堵管等技术难题,确保系统低能耗稳定运行。
